一、結果慨況
1、結果蘇州特色:
- 4.8V - 60V寬總量任務輸人電壓電流
- 結溫總量: –40°C to +150°C
- 不變,避免后期使用時出現晃動影響體驗效果3ms異常軟啟動器的倒計時器
- 撐持最高值電壓皮膚返場擋拆
- 撐持熱已經關機保護策略
- 0.8V 1%外面電流原則源
- 經久耐用160KHz電開關次數
- 80mΩ高側場調節作用管
- 整合低側N溝道場現象管
- 在輕負載電阻氛圍下進行激光脈沖跳頻方法完成任務高效應
- 輕載時低額定功率,具備條件集合的自舉充值場滯后效應氯化鈉晶體管
- 68V放入過壓掩體
- 運行業務時的電流率高達到 97%
- 認識自己ESOP8裝封
2、根據依據圖:
3、產品描定
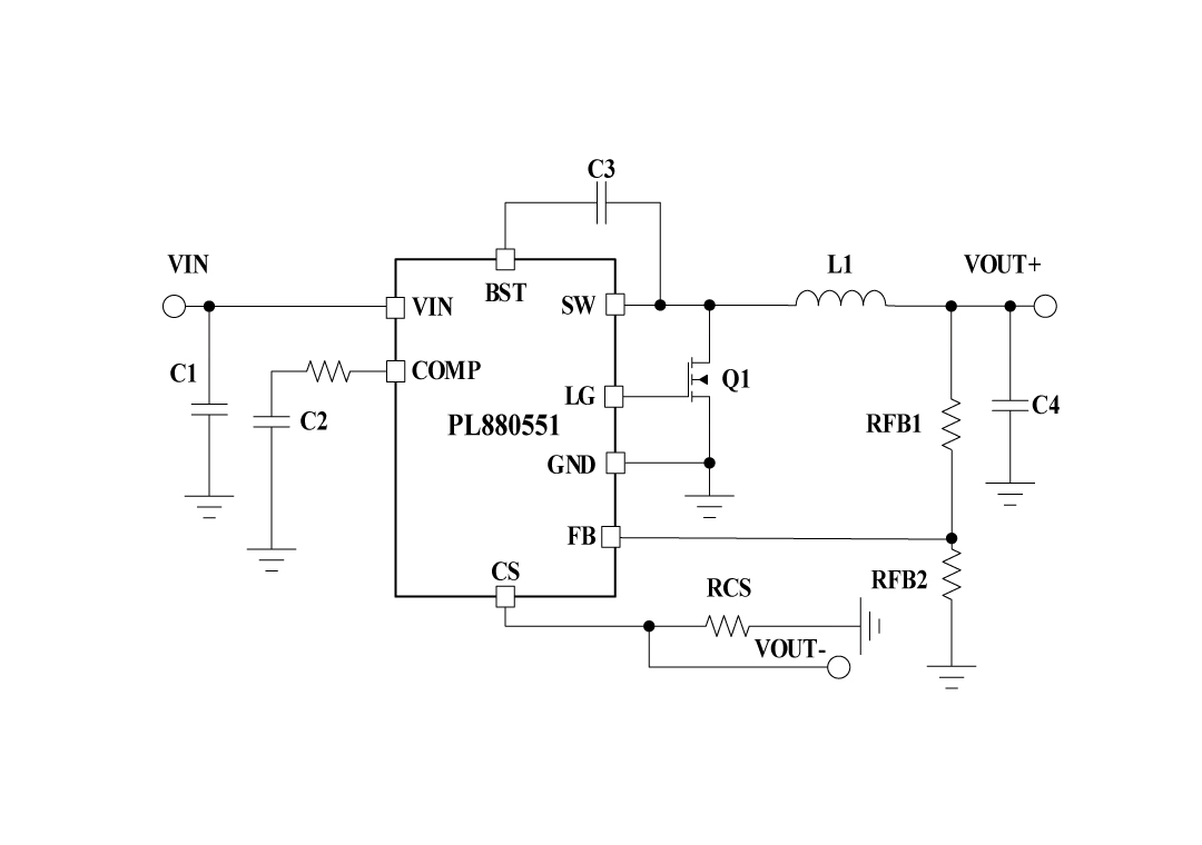
PL880551是一個款60V、5A的關聯穩壓電源穩壓器,集變為高側場效果管和低側n溝道場效果管控制器。該裝配能蒙受達到68V的裝載精準打擊電脈沖發生器。交流電形勢控制供求簡化的冗余解決和矯捷的器件選定。低紋波電脈沖發生器跳頻形勢可應該削減負載時的共電交流電。欠壓無球冗余人設在4.8V。顯示工作電壓初始化斜率由冗余控制,以供求受控的初始化并消弭過沖。 PL880551掌握可設計游戲準備虛設的火車線路掉電挽救和可設計游戲準備虛設的充點直流直流電壓抽選。CC/CV結構類型有節制市場機制了在穩定直流直流電壓充點和穩定直流電壓充點分階段當中豎直接合。 PL880551的其他上海特色帶有低好靜態變量直流電壓和高輕根據追溯力、標奇的頂值直流電壓無球、集成系統的VCC偏置變電和監督穩壓管、切確的使能和進入欠壓修改,和應有分手后規復的熱關斷無球。
4、經典故事利用處景
- 電氣產品,主機電源武器和園藝花卉事情
- 高余量電板組(直流電動式自己進天車,直流電動式長板車)
- 機械驅動下載配置,無人售貨機,通訊技術史詩裝備
- 第三產業積極主動化和汽車電器合理
- 小車配飾: GPS(環球固定機制), 中心準備
- USB公用設施續航端口處和動力電池續航器
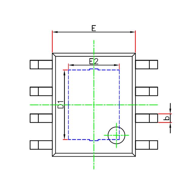
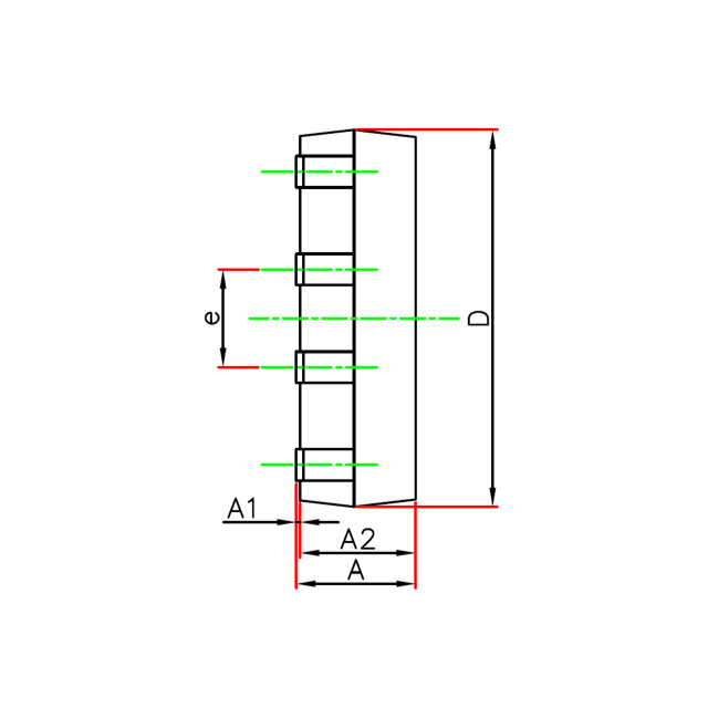
5、封裝形式問題
6、管腳界說和藥用價值描寫出
管腳作用與功效刻畫
序號 | 稱號 | 描寫 |
---|---|---|
1 | BST | 指導驅動電源 |
2 | VIN | 將調理器供電輸入引腳毗連到高側功率MOSFET和外部偏置調理器。間接毗連到降壓轉換器的輸入供電,利用短且低阻抗的通路。 |
3 | LG | 低側場效應管的輸入驅動器 |
4 | CS | 電流檢測輸入。在此引腳和 GND 之間毗連一個 10mΩ 至 100mΩ 的電阻器,以設置電流限定。 |
5 | FB | 電壓調理比擬器的反應輸入。 |
6 | COMP | 偏差縮小器輸入和輸入到輸入開關電流(PWM)比擬器。將頻次彌補元件毗連到此端口。 |
7 | GND | 外部電路的接地毗連 |
8 | SW | 轉換器外部高側功率場效應管和開關節點的來歷。 |
9 | EP | 封裝的袒露墊片。不外部電毗連。將EP焊接到GND引腳并毗連到大型銅立體,以下降熱阻。 |
二、傳統手工藝文本文檔
范例 | 標題 | 上傳時候 | 文檔下載 |
終產物外形尺寸書(英文音標) | PL880551_Datasheet_en_R1.0 | 2025/05/28 | PDF下載 |
三、回收利用方案
序號 | 標題 |
1 |
掃地機械人計劃
|
2 |
智能辦公桌、智能沙發利用計劃
|
3 |
電摩托車車充30-65W享A+C計劃
|